






公司電話: 0317-7363249
公司傳真: 0317-7342086
銷售一部: 盧經理 13283259892
銷售二部: 劉經理 13102726994
公司郵箱: 2902772151@qq.com
聯 系 人: 劉經理
河北省滄州市吳橋縣桑園鎮104國道東側
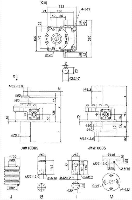
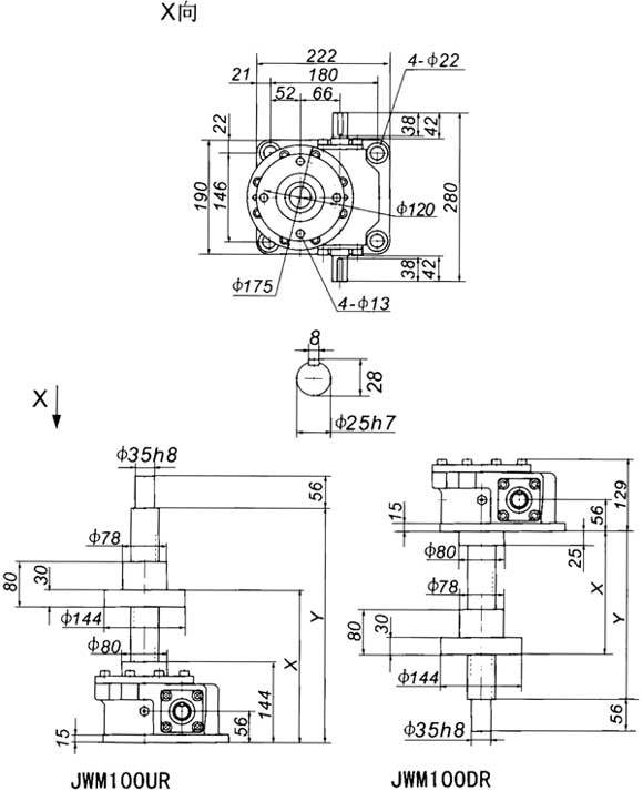
JWM100蝸輪絲桿升降機廣泛應用于機械、冶金、建筑、水利設備等行業,具有起升,下降及借助輔件推進,翻轉及各種高度位置調整等諸多功能。萬信傳動生產的JWM100絲桿升降機質量好,價格優.具有安裝方便、使用靈活、安全可靠、使用壽命長的特點。一般用于低速、低頻率的場合。
JWM100外形尺寸圖:


